Lichtmaschinen-Ansteuerung für den NB bei Standalone ECU
So, ich lös das mal aus dem DIYPNP Thread raus:
Ich hatte da im Miataturbo.net schonmal nachgefragt, aber da konnte mir keiner so wirklich helfen.
http://www.miataturbo.net/forum/t34553/
Ich übersetze mal und bitte um Hilfe zum Thema:
*schnippel*
Ich hab mal bei I.L.Motorsport nachgeschaut-
NAB-7203M Rillenriemen Lichtmaschine NA 1,9+alle NB Original
1,9 NA und NB (1,6 & 1,9) haben die selben Riemen.
Die Halterung für alle 1,9 NA und alle NB ist gleich.
Mehr informationen:
Stecker:
NA 1,9 Stecker:
http://www.ilmotorsport.de/shop/prod...2-701813_2.jpg
NB Stecker:
http://www.ilmotorsport.de/shop/prod...1-701819_2.jpg
Nochwas zu den Reglern:
Ich hab bei ebay diese Regler gefunden:
Bei dem heisst es, er ist für NA 1,9 und NB aber ich denkle der ist nur für den NB.
Lichtmaschine Regler Mazda 121 323 626 MX-5 MX-6 Xedos
http://cgi.ebay.de/Lichtmaschine-Reg...item53dcd95c83
http://i8.ebayimg.com/07/i/001/2c/92/2709_1.JPG
This one is for NA 1,6 and 1,8:
Lichtmaschine Regler Ford Probe Mazda 323 Kia Sephia Autoelektrik
http://cgi.ebay.de/Lichtmaschine-Reg...item53dd72d6da
http://i15.ebayimg.com/07/i/001/2d/d6/a443_1.JPG
Wenn ich mir die Bilder richtig anschaue, dann ist der einzige Unterschied der kleine, mit B+ bezeichnete Pin.
Könnte ich eventuell nur die Regler tauschen?
Da ich schonmal so weit bin - noch ein paar Informationen:
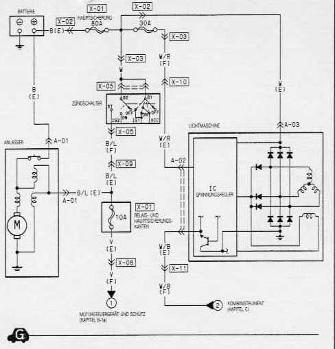
Lichtmaschinen Schaltkreis vom NA:
http://www.ingenieure-reichel.de/upl...ernator_NA.jpg
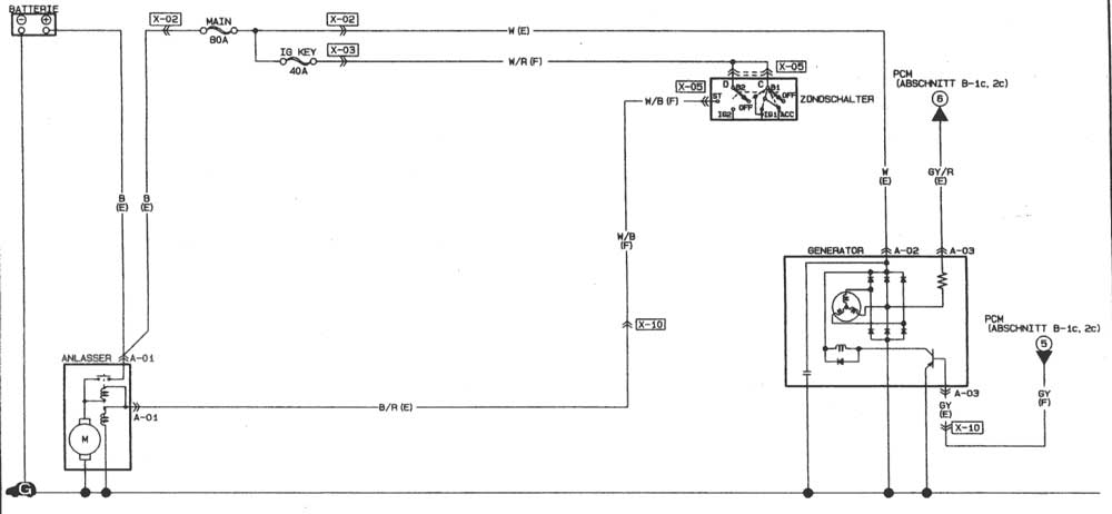
Lichtmaschinen Schaltkreis vom NB
http://www.ingenieure-reichel.de/upl...ernator_NB.jpg
Kann das jemand etwas näher erklären? Der NA Schaltkreis scheint nirgends direkt mit der Masse verbunden zu sein. - gelöst, siehe weiter unten.
Das W/B Kabel beim NA Diagramm geht direct zum Warnlicht in bei den Instrumenten.
Beide NB Leitungen gehen zum ECU, die Warnleuchte wird vom ECU gesteuert.
*schnippel ende*
RE: Lichtmaschinen-Ansteuerung für den NB bei Standalone ECU
NB Schaltkreis: Wieso die Masserverbindung ist doch eh eingezeichnet (von den unteren 3 Dioden zu G).
Der Aufbau ist doch einfach: Das Steuersignal von der PCM (Farbe GY) geht in einen Transistor, der den Eregerstrom in der LiMa einstellt. Der Transistor ist übrigens falsch, das müsste ein NPN und kein PNP sein.
Am Ausgang GY/R geht zur PCM eine pulsierende Gleichspannung. Damit kann man die Drehzahl des Generators feststellen.
RE: Lichtmaschinen-Ansteuerung für den NB bei Standalone ECU
Wegen der Masse - da ist der fehler in meinem ersten Beitrag, ich meinte beim NA. (ist geändert)
Edit- ich hab es gerade gefunden, ist beim NA nur klein innerhalb der LiMa gezeichnet... noob.
Meine eigentliche Frage ist aber - könnte ich theoretisch den Regler vom NA in die LiMa vom NB bauen und wäre damit fertig?
Grüße
RE: Lichtmaschinen-Ansteuerung für den NB bei Standalone ECU
Müsste gehen, sofern es baulich passt. Normalerweise fließt er initiale Erregerstrom aber über die Ladekontrollleuchte, die beim NB aber anders verkabelt ist. Probieren würde ich sagen.
RE: Lichtmaschinen-Ansteuerung für den NB bei Standalone ECU
>Meine eigentliche Frage ist aber - könnte ich theoretisch den
>Regler vom NA in die LiMa vom NB bauen und wäre damit
>fertig?
Die zwei Regler auf deinen Fotos dürften beide vom NA sein. Ich habe bei meiner Lima (NB) mal die Kohlen getauscht und von meiner zerlegten Lima Fotos gemacht. Darauf kann ich erkennen, dass der Steckeranschlus ca. 45° schräg verläuft. Auf deinen Abbildungen sind es so ziemlich 90°. Vom elektrischen mal abgesehen, wird es baulich schon nicht passen.
Aus eigener Erfahrung kan ich sagen, dass das zerlegen der Lima und dann noch das ausbauen des Reglers eine sau Arbeit ist. Viel einfacher wäre es direkt eine gebrauchte, passende Lima zu kaufen.
RE: Lichtmaschinen-Ansteuerung für den NB bei Standalone ECU
Danke für den Erfahrungsbericht - das hält mich dann doch eher zurück, meine Lima auseinanderzupflücken.
RE: Lichtmaschinen-Ansteuerung für den NB bei Standalone ECU
Was ist denn bei deiner Lima eigentlich defekt? Wenn es um die Kohlen geht, hätte ich eventuell einen Tipp. Es bleibt dann aber immer noch die Arbeit des tauschens.
Ansonsten ist es wie gesagt einfacher eine gerauchte (neue) Lima zu besorgen.
RE: Lichtmaschinen-Ansteuerung für den NB bei Standalone ECU
An meiner Lima ist nix defekt - nur die Regelung ist etwas zu weit entfernt, nämlich in meiner Garage im originalen Steuergerät... ;-)
RE: Lichtmaschinen-Ansteuerung für den NB bei Standalone ECU
Nu verstehe ich was du möchtest, habe die Überschrift nicht richtig wahrgenommen. :7
Dein Ansatz mit dem Regler tauschen war ja schon richtig, aber warum so umständlich, die Lima vom NA passt doch.
Einzige Problem ist, die Bat.-Kontrolleuchte wird dauerhaft an sein. Aber das könnte man ihr ja abgewöhnen.
Da müßte man sich die Schaltpläne noch mal näher anschauen.
RE: Lichtmaschinen-Ansteuerung für den NB bei Standalone ECU
ist das alles nicht viel zu umständlich gedacht?
Ich würde in einem solchen Fall die orignale Lichtmaschine in die Hand nehmen und bei einem Verwerter nachfragen.
Die Jungs wissen in der Regel sehr genau, welche "normale" Lichtmaschine aus irgendeinem anderen Auto (ggf. mit Anpassungen und Tausch einzelner Komponente - wie Lagerschild und Riemenscheibe)mechanisch geeignet sein könnte.
Auf die Weise habe ich erfolgreich eine Commodore Drehstromlichtmaschine in einen Austin Mini, eine große BMW Lichtmaschine in einen Audi 80 transplantiert.
Gruß, Rolf
RE: Lichtmaschinen-Ansteuerung für den NB bei Standalone ECU
Wenn's darum geht: Eine LiMa aus dem 323 müsste auch gehen. Sieht zumindest von außen gleich aus, lediglich die Riemenscheibe ist anders.
Bei Interesse könnte ich die beiden LiMas mal aus meinem Teilelager holen und vergleichen.
RE: Lichtmaschinen-Ansteuerung für den NB bei Standalone ECU
Hallo Jungens,
sind wir schon weiter wegen der Regelung der LIMA. Da ich in naher Zukunft auf eine Standalone ECu umsteigen werde und das Org Steuergerät gerne ganz weg hätte.
Es muss doch einen einfachen Weg geben das die Kontrollleuchte weiterhin ihren Dienst tut.
Gruß und danke
RE: Lichtmaschinen-Ansteuerung für den NB bei Standalone ECU
Das ist alles hier:
http://www.miataturbo.net/showthread.php?t=21621&page=5
beschrieben, einschl. Batteriewarnleuchte.
HIer nochmal auf der DIYPNP Seite, allerdings ohne Warnleuchte.
http://diyautotune.com/diypnp/docs1_5/proto_area.html
Grüße
RE: Lichtmaschinen-Ansteuerung für den NB bei Standalone ECU
Hallo,
habe wohl vergessen zu erwähnen das ich wohl auf die Adaptronic setzen werde.
Kann man nicht eine NA Lima verbauen und mit B+ direkt an die Kontrollleuchte?
Gruß und danke.
RE: Lichtmaschinen-Ansteuerung für den NB bei Standalone ECU
So würde ich es machen.
Die rot markierten Stellen sind Änderungen, der Rest ist Originalverdrahtung. Damit es übersichtlicher wird, habe ich Lima und PCM auf eine Seite gepackt.
http://freenet-homepage.de/tiefgleit...B_1000x700.jpg
RE: Lichtmaschinen-Ansteuerung für den NB bei Standalone ECU
Hallo,
und das für einen Schaltplannoob...
Wenn ich das richtig verstehe muss dann von der NA Lima die Steuerleitung vom Lima Regler am Stecker vom Steuergerät von 1O auf 1Q umgelegt (gebrückt) werden?
Oh man ich und Kabel x(
RE: Lichtmaschinen-Ansteuerung für den NB bei Standalone ECU
Genau, vom Stecker der Motorsteuerung trennen und dann brücken. Dann noch dauer + für den Regler. Ein wenig umstricken ist es schon, aber eigentlich noch recht simpel.
Der Plan ist übrigens vom NB, nur die LiMa ist NA. Kontaktbezeichnungen kann man also übernehmen.
Wenn du eine komplett andere ECU einsetzten möchtest, musst du den ganzen anderen Kram ja auch noch verdrahten, das ist einiges mehr.
RE: Lichtmaschinen-Ansteuerung für den NB bei Standalone ECU
HAllo und danke,
ich habe mich für die Adaptronic enschieden da diese ECU im miataturbo.net einen sehr guten Ruf hat.
Das zweite Plus ist der PNP Kabelbaum, also nix gros neu verkabeln.
Da ich keine lust habe auf ein Steuergerät nur für die Ladekontrolle werde ich dann die NA Lima verbauen und das Org. Steuergerät fliegt komplett raus. Klima etc. habe ich nicht und den rest kann die Adaptronic.
Gruß und nochmals danke.
inside
RE: Lichtmaschinen-Ansteuerung für den NB bei Standalone ECU
Hätte nicht gedacht, dass es eine fremd ECU gibt, die den gleichen Stecker hat. Aber so ist das natürkich wesentlich weniger Arbeit.
Poste doch mal wenn alles läuft.